2020 알루미늄 프로파일: 맞춤형 3D 프린팅과 DIY 프로젝트에 이상적인 조수
fansyshop2
10 3월, 2024
제품 동영상
유럽 표준의 우수성
2020 알루미늄 프로파일은 유럽 표준에 따라 제작되어 뛰어난 품질과 내구성을 보장합니다. 산화 알루미늄 표면 처리로 녹과 부식에 강하여 다양한 환경에서 사용할 수 있습니다.
DIY 제작에 탁월함
이 선형 프로파일은 CNC 3D 프린터 부품을 포함한 다양한 DIY 프로젝트에 이상적입니다. 강성과 가벼움을 결합하여 신뢰할 수 있고 효율적인 프레임 및 구조물을 만들 수 있습니다.
맞춤형 옵션
맞춤형 길이와 수량 옵션을 통해 특정 요구 사항에 맞게 프로파일을 조정할 수 있습니다. 2020 코너 브래킷을 선택적으로 추가하여 프레임과 구조물을 안전하고 안정적으로 연결할 수 있습니다.
다용도 용도
2020 알루미늄 프로파일은 다양한 용도로 사용할 수 있습니다.
- CNC 기계: 프레임 및 가이드 레일
- 3D 프린터: 프레임 및 구조물
- 산업 기계: 워크스테이션 및 보관 선반
- DIY 프로젝트: 가구, 조명기구, 장식 요소
주의 사항
주문 시 다음을 확인하세요.
- 길이: 프로젝트에 필요한 정확한 길이
- 수량: 필요한 프로파일 개수
- 브래킷: 코너 브래킷을 포함시킬지 여부
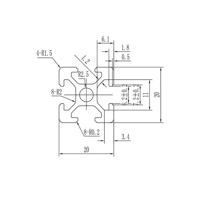
참고: 그림은 참고 자료이며 실제 배달된 상품이 우선합니다.
자주 묻는 질문
- 프로파일이 미리 조립되어 배송되나요?
아니요. 프로파일은 분해되어 배송되며, 조립은 사용자가 스스로 해야 합니다.
- 프로필을 절단할 수 있나요?
예, 프로필은 필요에 따라 사용자가 절단할 수 있습니다.
- 브래킷은 어떻게 사용하나요?
브래킷은 프로필을 직각으로 연결하고 안정적인 구조물을 만드는 데 사용됩니다.
관련 상품들




